ACS37003: 400 kHz,高精度电流传感器,5kV隔离

描述

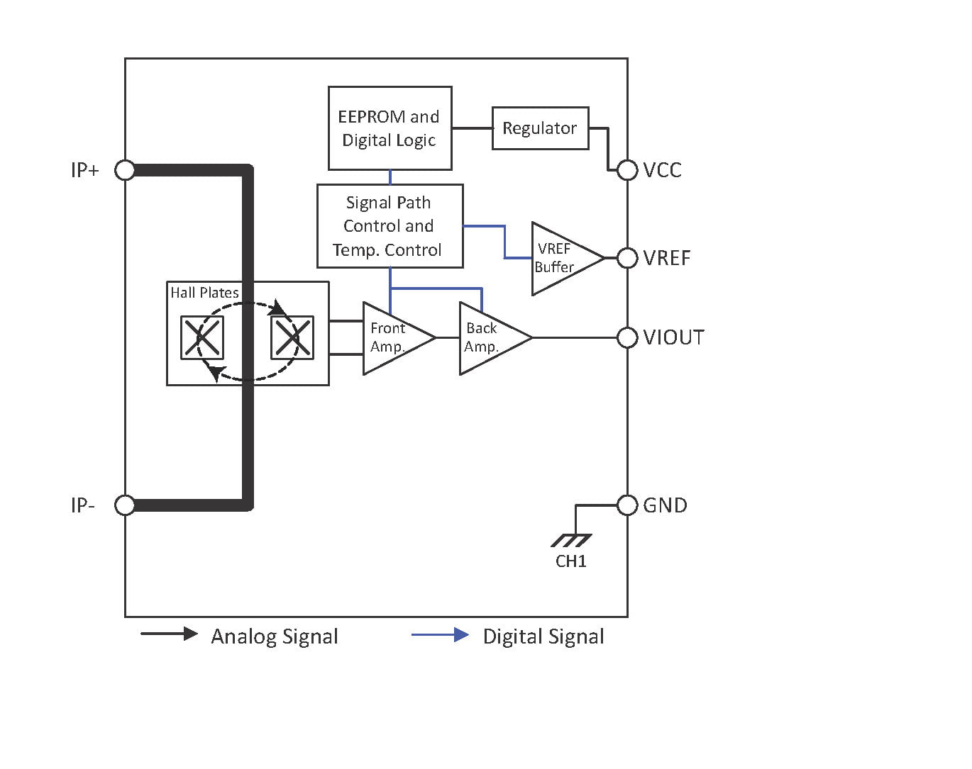
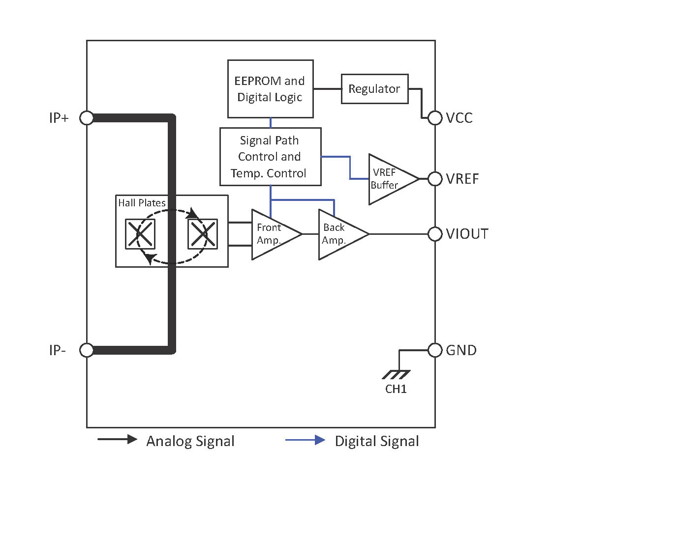
ACS37003是一个400kHz霍尔效应电流传感器,具有5kV的隔离,提供非常高的精度。它是工业电机逆变器和电源控制应用的理想选择。亚博尊贵会员被感知的电流进入封装在IC附近,以实现磁场与霍尔效应传感器的高耦合。由于电流和集成电路之间的电隔离,高电压隔离额定值实现。电流被两个霍尔板差测到,霍尔板减去干扰的外部共模磁场。该传感器是工厂修剪,在整个操作范围内提供高精度,而不需要客户编程。

ACS37003传感器具有模拟输出和参考输出,用于噪声环境下的信号完整性。它采用SOICW-16 (MC)封装,具有非常低的内部导体电阻0.27mOhms和高隔离额定值5 kVrms,适用于需要超低功耗和高增强隔离的应用。亚博尊贵会员

高级功能

  • 400kHz工作带宽提供了快速控制回路和用于监测高速电流
  • 高精度实现了6毫伏的最大偏移电压超过温度和非辐射操作与VREF输出,差分感应对磁场的高免疫力
  • 外部可配置增益设置使用两个逻辑疼痛和四个可调增益水平的设计灵活性

零件编号规格和可用性

零件号 包类型 温度 RoHS
兼容的
组成部分/
RoHS数据
评论 样品 检查股票
acs37003kmcatr - 050 b5 16-lead SOIC -40°C到125°C 是的 视图数据 联系你的
当地的销售代表
检查
经销商库存
acs37003kmcatr - 085 b5 16-lead SOIC -40°C到125°C 是的 视图数据 联系你的
当地的销售代表
检查
经销商库存
acs37003kmcatr - 120 b3 16-lead SOIC -40°C到125°C 是的 视图数据 联系你的
当地的销售代表
检查
经销商库存
acs37003kmcatr - 180 b5 16-lead SOIC -40°C到125°C 是的 视图数据 联系你的
当地的销售代表
检查
经销商库存

Allegro的产品不得用于任何设备或系统,包括但不限于生命维持设备或系统,在这些设备或系统中,Allegro的产品的故障可以合理地预期会造成身体伤害。

快板MC 16针包形象

包装

16针SOICW(后缀MC)

yabo亚博网站设计支持工具

快速的客户门户:获得访问Allegro产品软件和设计工具的权限。

相关资源yaboAPP亚博

宣传册高精度400 kHz电流感应(PDF)

常见问题

电流传感器常见问题解答»