| 零件号 | 包类型 | 温度 | RoHS 兼容的 |
部分作曲/ RoHS数据 |
评论 | 样品 | 检查股票 |
|---|---|---|---|---|---|---|---|
| APEK2550KLP-01-T | 演示板 | -20℃~ 85℃ | 没有 | -- | 联系你的 当地销售代表 |
检查 经销商库存 |
|
| A2550KLP-T | 16-lead TSSOP | -40℃至125℃ | 是的 | 视图数据 | pre-EOL | 联系你的 当地销售代表 |
检查 经销商库存 |
| A2550KLPTR-T | 16-lead TSSOP | -40℃至125℃ | 是的 | 视图数据 | 联系你的 当地销售代表 |
检查 经销商库存 |
不得将Allegro的产品用于任何设备或系统,包括但不限于生命支持设备或系统,在这些设备或系统中,Allegro产品的故障有理由预计会造成身体伤害。
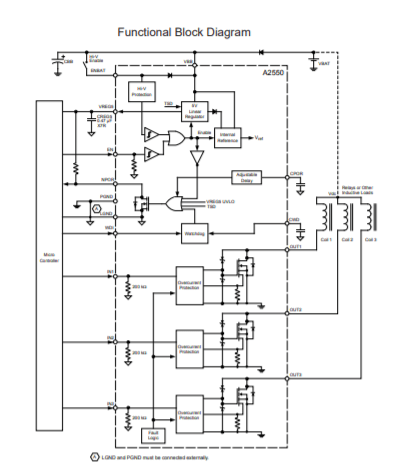
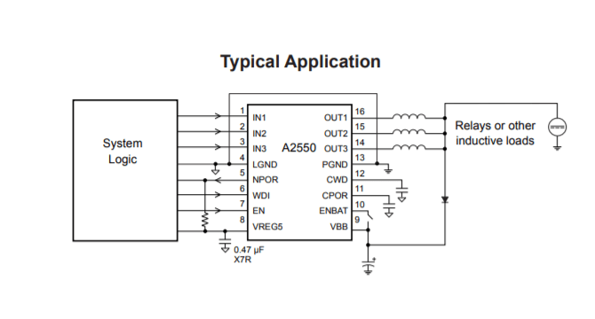
带外露热垫的16针TSSOP(后缀LP)
