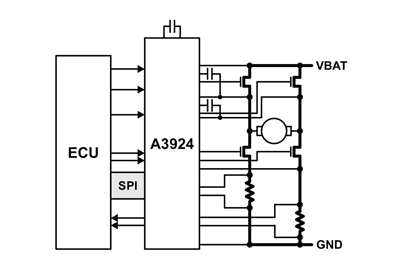
The A3924 is an N-channel power MOSFET driver capable of controlling MOSFETs connected in a full-bridge (H-bridge) arrangement and is specifically designed for ASIL automotive applications with high-power inductive loads, such as brush DC motors, solenoids and actuators. Full ISO-26262 documentation is available to assist safety critical applications to achieve ASIL-D certification.
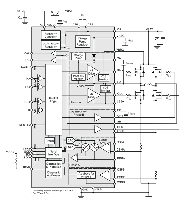
A unique charge pump regulator provides the programmable gate drive voltage for battery voltages down to 7 V and allows the A3924 to operate with a reduced gate drive, down to 5.5 V. A bootstrap capacitor is used to provide the above-battery supply voltage required for N-channel MOSFETs.
The full bridge can be controlled by independent logic level inputs or through the SPI-compatible serial interface. The external power MOSFETs are protected from shoot-through by programmable dead time.
Integrated diagnostics provide indication of multiple internal faults, system faults, and power bridge faults, and can be configured to protect the power MOSFETs under most shortcircuit conditions. For safety-critical systems, the integrated diagnostic operation can be verified under control of the serial interface.
In addition to providing full access to the bridge control, the serial interface is also used to alter programmable settings such as dead time, VDS threshold, and fault blank time. Detailed diagnostic information can be read through the serial interface.
The A3924 is supplied in a 38-pin eTSSOP (suffix ‘LV’) and a 40-terminal eQFN package (suffix ‘EV’). Both packages are lead (Pb) free with 100% matte tin leadframe plating.

ISO 26262 Certified Products have been designed in compliance to the ISO 26262:2011 standard at the component level.
ASIL-D ISO 26262 Certificate (Pending)